行业知识

包装机光电开关故障维修处理

2024-04-22 08:51:49 科威

包装机光电开关故障维修处理

KWZK-WMG-JB型光电开关

一、厂家;型号:爱游戏ayx官方网页,爱游戏(中国)、KWZK-WMG-JB

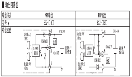
图片关键词

二、工作原理:

光电传感器是将被测量的变化转换成光量的变化再通过光电元件将光信号转换为电信号的一种传感器。


三、光电开关分类

光电开关可分为直射型和反射型两大类,直射型光电开关的发射器和接收器相对安抚,轴线严格对准。当有物体在两者中间通过时,红外光束被遮断,接收器接受不到红外线耳产生一个负脉冲信号。


四、光电开关安装注意事项:

1. 在安装槽型光电开关之前,需要先确认位置和方向。确保槽型光电开关在接触物体时能够正常工作。

2. 在固定槽型光电开关时,需要使用固定夹具或者螺丝将其牢固安装。确保槽型光电开关不会因为移动或者震动而松动或者脱落。

3. 在安装槽型光电开关时,需要避免与其他金属物体接触,以免干扰正常的工作。

4. 在连接电线时,需要确保电线与槽型光电开关的接点牢固可靠,避免松动或者接触不良。

5. 在槽型光电开关安装位置周围,需要保持清洁,确保周围没有障碍物或者灰尘等,以免影响槽型光电开关的检测效果。

6. 在安装槽型光电开关时,需要按照其用户手册提供的指导进行正确的安装和调试。如果有特殊要求或者需要额外的保护措施,需要遵循相关规范进行操作。


五、常见故障及处理方法:

故障现象:

1 .光电开关不动作

2 .光电开关检查不到反馈信号

3 .控制面板光电开关指示灯常亮


处理方法:

1.检查接线是否存在短路或断路现象

2.检查反光板是否完好,是否存在异物。

3.用新的传感器替换确认是否为传感器故障。


六、日常维护及保养

1.保持清洁:

欧姆龙光电开关通常安装于需要检测的物体附近,因此容易受到灰尘、油脂等污染物的影响。需要定期将光电开关上的污物清除干净,可以使用清洁布轻轻擦拭,同时要确保使用无水酒精等适宜的清洁剂。

2.避免敲击:

避免敲击是维护光电开关的重要环节。在清洁和维护的过程中,要注意避免用硬物或工具直接敲击开关表面,以免造成破损或损坏内部零件。

3.防止过高温:

温度过高会对光电开关的性能产生负面影响,甚至造成故障。因此,在使用和存放光电开关时,应尽量避免将其放置在高温环境中,如直接暴晒在阳光下或靠近加热设备。

4.避免过低温:

过低温同样对光电开关产生不良影响,可能导致电路冷却失效或涂层脱落等现象。应当避免光电开关长时间暴露在寒冷环境中,尽量安装在相对温暖的位置。

5.注意连接线路:

连接线路的合理安装和固定,是保证光电开关正常运行的重要条件。应当根据实际需要选择适当的线缆和连接方式,并确保线路的牢固性和安全性,以防意外拉断导致开关失效。

6.定期检查和维护:

定期检查和维护是保持光电开关良好状态的关键。可以通过使用专业仪器进行性能测试,检查线路连接是否松动、腐蚀等情况,及时进行维护和更换损坏的部件,确保光电开关长期可靠工作。


七、作业安全风险辨识:

1.穿戴好劳动防护用品、包装机作业注意危害健康粉尘,佩戴防尘口罩,注意机械伤害,检修前断电断气。

2.检修时两人以上进行作业。

3.办理检修工作票。

4.工艺将设备安全交出,并有工艺人员现场监护。

5.设备断电并挂上警示牌,防止机器突然启动。

图片关键词

首页
产品
新闻
联系