首先得搞懂接触器线圈的“特性缺陷”:它本质是个大电感,通电时会像“储能电池”一样储存磁能。当空压机停机、控制电路断开的瞬间,线圈里的磁能会急剧转化为电能,产生远超220V额定电压的“高压反电动势”,数值能达到几百甚至上千伏。这股高压要是没地方释放,就会找电路里的“薄弱点”发泄,首当其冲的就是接触器自身的控制触点。
2025-10-20 科威
JG52《弹性元件式一般压力表、压力真空表和真空表检定规程》(强制性要求)该规程适用于工业用压力表的检定,若阀门上的气源压力表属于“安全防护、贸易结算、环境监测、医疗卫生"等强制检定范畴,则必须定期检定(如涉及安全联锁的压力表);非强制检定场景:若仅用于一般过程监控(如气源压力指示),企业可自主管理,但需参照规程进行校准。
2025-04-28 科威
气动阀门:以压缩空气为动力,不会产生电火花风险,防爆性能优异,适合易燃易爆环境(如石油,石化、化工等场景)。尤其在需要紧急切断或频繁操作的场合,气动阀响应速度快(通常10秒内或者更短),可靠性更高。
2025-03-14 科威
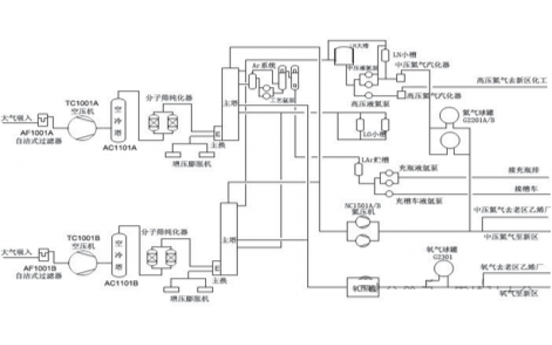
空分装置空压机组联锁跳车,经查机组ITCC控制系统中 SOE 记录的跳车原因为速关油油压低联锁跳车。报警动作内容是汽机主汽门全开信号丢失,同一时刻速关油压力开关70PSA502、70PSA503动作,触发汽机紧急停车联锁。
2024-12-06 科威
公用工程联合车间空分装置B套空冷塔液位LICS01-1B在1分钟内由1336mm降到1131mm,19:21:47液位开始慢慢下降,最低降至 661mm。
2024-10-23 科威