新闻动态

  • 仪表干接点和湿接点的差异与应用实例

    干接点是无源开关,有闭合和断开两种状态,接点无极性,可随意互换。它控制外部电路通断,自身不供电,靠接点动作改变电路连接。化工企业中,管道阀门的限位开关靠干接点反馈位置;移动设备的行程开关被触发时,干接点监测行程;反应釜的温度开关在温度超标时,通过干接点发出异常信号。此外,继电器、干簧管输出端常用干接点传递控制信号,像电机控制电路中,继电器干接点控制电机电源通断。

    2025-03-24 科威

  • 陶瓷球阀在煤气化的应用

    粉煤给料罐压力调节阀最早于2017年10月上线使用,介质为煤粉,原工况使用阀门为福斯的调节阀,使用寿命3个月左右,更换陶瓷球阀后,使用寿命大幅提升,截止工艺变更之前阀门无下线检修记录,也极大的更加了客户对陶瓷阀门的认可度,为后续阀门的应用铺垫了基础。

    2025-02-14 科威

  • DSQN-16系列电磁流量计指示偏低故障处理

    DSQN-16系列电磁流量计流量指示偏低,趋势图显示该流量为缓慢降低(如下图)

    2025-01-15 科威

  • 最小流量阀(自动再循环阀/泵保护阀)

    最小流量阀是安装在水泵出口的一种专用阀门,旨在防止泵在低负载条件下运行时可能出现的过热、噪音增加、运行不稳定以及气蚀等现象。当泵送流量降至设定值以下时,该阀通过旁通回路保证了液体的最小必要流量,从而保护泵免受损害。

    2025-01-10 科威

  • 用电负荷的负荷分级及供电要求

    用电负荷应根据对供电可靠性的要求及中断供电所造成的损失或影响程度确定,并符合下列要求

    2024-10-16 科威

  • #6机B循环水泵出口液控蝶阀故障分析

    7月22日夜间23点多,运行通知热工值班人员“#6机B循环水泵出口液控蝶阀显示黄色故障(运行中开信号消失)”,当时到现场检查,怀疑为开到位中间继电器坏,经值长同意更换后,故障依旧,为了安全起见,综合考虑后,决定晚上暂不处理。 23日上班8点多,我们安排人员到现场检查情况。观察发现,循环水泵在运行,液控蝶阀实际开到位,就地控制柜上开到位指示灯不亮,但就地开到位和关到位接近开关指示灯都亮(开到位灯正常亮,关到位相对较暗),查看就地控制柜内PLC上的相应DI指示灯, 7、8、9三个灯都亮。13灯亮。DO输出,一个通道也没有亮。

    2024-08-16 科威

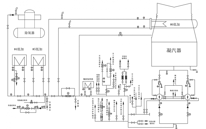
  • 凝汽器灌水查漏操作要点有哪些?

    凝汽器灌水查漏操作要点有哪些? 1.机组停运,高压缸调节级温度低于100℃。 2.凝汽器底部加装临时支撑和临时水位计,水位计上口不允许封口。 3.开启机组各段抽汽疏水门。 4.关闭主再热蒸汽冷段热段、高旁前后,导汽管、调节级、汽缸夹层疏水电动门,和低旁减温水电动门。 5.关闭A、B凝结水泵进口手动门,抽空气手动门,关闭凝结水再循环调整门。 6.关闭A、B真空泵入口手动门,气动门。

    2024-08-16 科威

  • 凝结水泵切换操作票

    1.接值长令:A凝结水泵切换至B凝结水泵; 2.检查B凝结水泵具备启动条件,密封水、轴承冷却水进出水门全开,凝结水泵抽空气门开启3圈; 3 查询B凝结水泵上一周期运行情况:运行电流 电机轴承温度 4.关闭B凝结水泵出口电动门,退出B凝结水泵联锁;

    2024-08-16 科威

上一页1234567...12下一页 转至第
首页
产品
新闻
联系