重庆科威-小电源接入对备自投的影响
重庆科威-小电源接入对备自投的影响
随着技术的发展,以及国家政策的鼓励,越来越多的小电源并入到电网,如小型水力发电厂、太阳能发电厂、风力发电厂和垃圾发电厂等。这些小电源的接入给电网带来好的一面,称为“系统支持效益”,小电源接入电网已成为不可阻挡的趋势,但也给传统备自投带来一定的影响(注意:上级变电站若有安稳设备,下级110kV变电站就不能有备自投)。
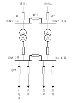
(本文以110kV变电站110kV进线备自投为例)

01、主供线路跳闸后,小电源接入对备自投的影响
不同季节、不同运行方式下,变电站小电源和负荷的匹配情况也有所不同。主供线路跳闸后,变电站电压、频率特性变化差异很大,大体分为以下三类情况:
第一类:变电站所接小电源出力大于负荷,电力送出,主供电源线路跳开后变电站母线电压较高、系统出现高频,备自投不动作,孤岛运行只能依靠小电源调节电压和频率,波动较大,电能质量差。
第二类:变电站所接小电源出力与负荷相当,主供电源跳开后局部电网能在允许的频率、电压范围内运行,主供母线侧变成孤岛运行,但当负荷变化时,由于小电厂负荷调节能力较差,所以电压和频率波动较大。
第三类:变电站所接小电源出力小于本站负荷,主供电源跳开后小电源对终端站电压有一定支撑作用,但又不足以维持孤网稳定运行。不同运行方式下主供线路跳闸后,由于小电源的存在,使得孤网运行变电站电压、频率不稳定,一般在缓慢失压后最终导致系统崩溃。
当电压低至额定电压25%还未跳开小电源,备自投动作,母联QF4合闸,由于频率和相位不一致,可能导致短路的发生。
(可采用主供电源线路跳开后变电站的母线电压作为区别上述三类情况的判据)
02、小电源接入对备自投影响解决方法
1. 提高无压定值
《3~110kV电网继电保护装置运行整定规程》要求,备自投备供电源有压定值取0.6~0.7倍额定电压,主供电源无压定值取0.15~0.3倍额定电压。当出现主供电源失去后,电压虽降至0.7p.u.以下,但仍然在0.3p.u.以上情况时,备自投不满足母线无压条件而无法启动,不利于负荷快速恢复。(规程中无压定值取值较低有其历史原因,主要是为了提高电磁式低电压原件的可靠性,同时电网故障切除后能够可靠返回。)
对于微机装置而言,电压测量元件的准确度很高,因此,在有压定值设置为0.7p.u.的基础上,无压定值提高至0.5p.u.左右后仍然有足够的裕度。提高无压定值后,可有效减少备自投装置的等待时间,加快动作。
2. 取消倒供电放电逻辑
针对小电源出力较大可能出现与负荷相匹配的情况,导致“倒供电防误逻辑”(见下文解释)误闭锁,建议按照以下要求调整备自投方案,取消该防误逻辑:
1)对于纯负荷线路可将其设置为不参与自投逻辑线路,当因运行方式调整而使得此线路成为电源线路时,应将其调整至主供电源线路,如因装置功能限制不能调整,应退出备自投;
2)其他线路则在设计备自投逻辑时全部纳入主、备电源线路。
倒供电防误逻辑
为了防止备自投装置误投和增加对接线方式的适应性,对于一些变电站存在有未参与自投逻辑的线路(一般为负荷线路或停用线路),在常规放电条件的基础上,增加了“若主供线路跳开,但母线电压大于有压定值”的放电条件,目的是防止当主供电源跳开而未参与自投逻辑的线路倒供电时,出现倒供线路故障跳闸导致母线失压时,备自投启动造成自投于故障。
3.延时放电配合
为防止由于主供电源线路跳开,由于小电源发电机的强励磁装置动作,使变电站母线电压迅速抬高到“无压定值”之以上,使得备自投起动后又迅速返回,导致备自投放电或错过备投至系统备用电源的机会。
对备自投逻辑应进行优化,当出现主供电源跳开、母线电压保持时,应经一定延时放电(具体延时应和小电源解列装置配合),待小电源解列后母线失压时可启动自投一次。
4.加快联切小电源
当主供电源跳开且变电站出现低压时直接切除小电源或小电源所在线路,以使母线电压快速跌落至失压定值以下。
(1)当本站小电源线路和负荷线路可清晰区分的情况下,为提高可靠性,应在本站通过联切,直接切除小电源线路,具体联切功能可在本站低压联切装置或者备自投装置中实现,其中低压联切定值应与第三道防线的低频低压切负荷定值协调配合。
(2)当本站小电源和负荷混接的情况,应对联切小电源同时会损失的负荷进行统计,根据损失负荷比例情况考虑是否采用联切小电源线路。如损失负荷比例较低,则可采用本站直接联切的方式;如损失比例过高甚至全部损失,则不应直接切除。
(3)若有于损失比例过高不宜直接切除或由于小电源过多难以实现联切时,可采取以下两方面的措施:
一是应完善小电源侧的低频、低压解列装置配置,加强解列装置的运行管理,确保其能够快速解列小电源,加快电压降落至无压定值范围以内,为备自投快速启动创造条件。
二是在本站的下一级站点的出线对侧站点实现低压联切小电源措施,可以减少负荷损失。
5. 改进备自投逻辑程序
在备自投装置发出联切小电源命令后,在逻辑程序中增加小电源线路开关实际跳位接点返回开入检查(此实际跳位为每一条小电源线路开关实际跳位串联组合后的总跳位接点)。
具体为当备自投发联切其他设备(如小电源联络线或接地变)命令后,在一定时间内检查联切的设备是否跳开(即核实被联切设备开关实际TW接点是 否返回),当备自投判断出被联切的设备已跳开,即收回联切其他设备命令,再经一定延时发合备供电源线路或母联分段开关命令。若当备自投判断出被联切的设备没有跳开(即被联切设备开关实际TW接点没有返回),则备自投逻辑程序终止。
当小电源线路开关间隔设备或线路检修时,为能给备自投装置正确返回开关实际跳位接点,不至于备自投逻辑程序终止,解决方案是在小电源开关柜柜门面板加装“强制跳位”硬压板,每个小电源线路间隔加装一个“强制跳位”硬压板与其开关实际跳位并联。当某条小电源线路开关设备或线路检修时,将该间隔的“强制跳位”硬压板投入,则可满足备自投联切小电源跳位返回的逻辑条件要求,而不至于备自投逻辑程序终止,造成备自投的不正确动作。
03、备自投联切小电源改造实例(常规站)

1.改造出口回路实现备自投联切小电源
改造备自投出口回路主要是增设备自投联切回路。改造前,备自投装置出口回路如下图,备自投跳合闸开出接点经出口压板至线路保护操作箱完成110kV线路断路器的分合。

为使备自投在合上备用电源前联切小电源,需增加跳QF1开关或QF2开关时联切QF3开关逻辑。改造后备自投装置出口回路如下图,跳QF1、QF2开关的开出回路增加重动继电器1ZJ、2ZJ。辅助接点1ZJ-1、2ZJ-1经出口压板跳QF1、QF2开关,辅助接点1ZJ-2、2ZJ-2并联经出口压板跳QF3开关,实现联切小电源。

小电源线路断路器是通过备自投跳变压器高压侧的任何一回进线时联跳的,而在默认情况下,备自投会检查进线开关位置,若进线开关已由线路保护跳闸,则不会追跳。CSC-246装置设有“开关偷跳再执行跳”控制字,将该控制字置为“1”,即可保证进线已在跳闸位置时追跳,从而联跳小电源。
2. 改造开入回路实现备自投联切小电源
改造后的备投逻辑要求监测QF3开关位置,但是改造前备自投装置开入回路只接入了QF1和QF2开关的跳位,如下图。为此,修改备自投装置开入回路,将QF3开关的常闭接点分别与原QFl和QF2的常闭接点串联接入备自投装置的QF1和QF2跳位开入回路,如下图:

04、备自投联切小电源改造实例(智能站)

110kV备自投装置动作后,备自投装置发“联切其他设备”GOOSE跳闸命令,利用光缆采用组网网跳方式在SCD文件中将联切命令通过拉虚端子的方式分别发送至主变10kV侧智能终端装置内的刀闸控分1、刀闸控分2等刀闸控分GOOSE接收虚端子,然后在外回路中将不同的刀闸控分硬接点通过二次电缆的方式分别接至相应10kV小电源线路开关二次控制回路中的跳闸回路中。
由此可见在110kV备自投装置正确动作后发GOOSE跳闸命令至主变10kV侧智能终端,刀闸控分接收到GOOSE跳闸命令后常开接点变为常闭接点,从而使10kV小电源线路开关跳闸二次回路连通,开关正确跳闸,即实现联切功能。

将 10kV 所有小电源线路开关跳位接点(此跳位接点为开关机构内常闭辅助接点)串联组合后采用二次电缆的方式接至主变10kV侧智能终端装置的备用开入量接点,再利用光缆通过GOOSE组网方式在SCD文件中将开入量采用拉虚端子的方式发送至110kV备自投装置,从而实现参与备自投逻辑程序运算。

具体逻辑程序运算如上图,当110kV备自投装置正确动作后,经过t1时间跳主供线路开关,同时经过t2时间发联切10kV小电源线路开关,且在t3时间内判断小电源线路开关是否跳开(即核实被联切设备开关实际串联跳位TW接点是否已返回),若跳位TW接点返回,即备自投判断出所有被联切的设备已跳闸,则收回联切其他设备命令,再经t4时间发合备供线路或母联分段开关命令。
若当备自投判断出被联切的设备没有跳开(即被联切设备开关实际串联跳位TW接点没有返回),则备自投逻辑程序终止。通过此小电源线路跳位返回接点参与备自投逻辑运算,有效降低了备用线路与小电源非同期并列问题。