行业知识

QWF-L6系列积算指示仪的改进

2022-10-05 11:44:30 科威

QWF-L6系列积算指示仪的改进

故障现象:QWF-L6系列积算指示输出仪容积流量瞬时值由一块0~10 mA电流表指示,积算容积流量总量由电磁计数器显示。在实际应用中,因电流表头精度较低,且面板小,刻度密,指示不清晰;电磁计数器部分因采用机械传动,长时间使用,会造成塑料齿轮磨损、打滑,不能正常计数。故障率较高。


改进方法:

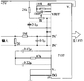
(1)瞬时流量指示表头的改进 瞬时流量由指针指示改为数字显示。我们采用温度数字显示仪A/D转换和显示板改进而成,改进后的线路如图2-26所示。

① 为简化电源和整机线路,将7107转换器原双电源±5V供电改为单电源供电(从仪表12V端引出,加一级7805稳压后供给),将26脚与21脚短接接电源负极。断开原30脚接地(21脚(的连线,改接第35脚。

② 在7107输入端(30、31脚(阻容滤波之前并联一只20Ω电阻,采用锰铜丝双线绕制,经老化处理后焊入电路。

③ 改固定基准电压电路为可调整电路,在第35、36脚接入24kΩ电阻和1kΩ电位器。

④ 在输入端加入10mA标准电流信号,调节1kΩ电位器,使显示值为100%,为使显示值与原表头对应,将显示板上的小数点从第3位移至第2位。

⑤ 将一有色有机玻璃板固定在原电流表位置,将显示板固定在有机玻璃板后,接上5v电源,将原接电流表的两根线接人电路输入端即可。


(2) 计数器部分改进  计数器部分采用6位液晶计数器代替原电磁计数器,因两种计数器的驱动电流不同,代用时应对仪表原驱动电路做些简单的改进。用1kΩ电阻代替原电磁计数器而作为负载。当驱动电路功放管BG 603导通时,液晶计数器上的电流为3.16 mA,仪表驱动部分供电电压为12V,液晶计数器阻抗为1.8kΩ。因液晶计数器功耗较低,有记忆功能,可复零,在性能上优于电磁计数器。

图片关键词

图2-26  数字显示部分电路图



首页
产品
新闻
联系