新闻动态
KWZK科威自控集团
爱游戏ayx官方网页,爱游戏(中国)
关于我们
公司简介
在线反馈
联系我们
产品展示
全部
传感器/变送器
流量计系列
液位/料位系列
阀门/执行装置
液压/气动元件
检维修工器具
化验/分析仪器
其他机电仪产品
新闻动态
全部
行业知识
企业新闻
资料下载
客户案例
新闻动态
推荐
热门
最新
一种允许错误动作的继电保护-广东科威
一种允许错误动作的继电保护-广东科威
2022-09-13
科威
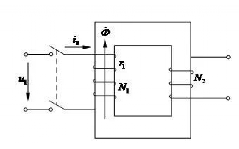
变压器励磁电流大小是否可以控制
变压器励磁电流大小是否可以控制
2022-07-26
科威电气
上一页
1
2
3
4
下一页
转至第
首页
产品
新闻
联系
万象城
|
爱体育平台
|
万象城在线平台_万象城中国
|
万象城平台
|
爱游戏ayx登录入口
|
新利体育
|
OB电竞·(中国)电子竞技平台
|
华体会体育
|
星空体育登录_星空体育平台(中国)
|